首页
关于我们
公司概况
企业文化
发展历程
企业荣誉
公司架构
核心产品
全自动玻璃盖板印刷系
全自动烘烤炉系列
3D玻璃全制程系列
其他
新闻中心
公司动态
行业资讯
视频中心
投资者关系
实时行情
公告
信息披露
招贤纳士
员工福利
招贤纳士
投送简历
开云(中国)
EN
/
中文
语言
导航
EN
中文
首页
关于我们
公司概况
企业文化
发展历程
企业荣誉
公司架构
核心产品
全自动玻璃盖板印刷系
全自动烘烤炉系列
3D玻璃全制程系列
其他
新闻中心
公司动态
行业资讯
视频中心
投资者关系
实时行情
公告
信息披露
招贤纳士
员工福利
招贤纳士
投送简历
开云(中国)
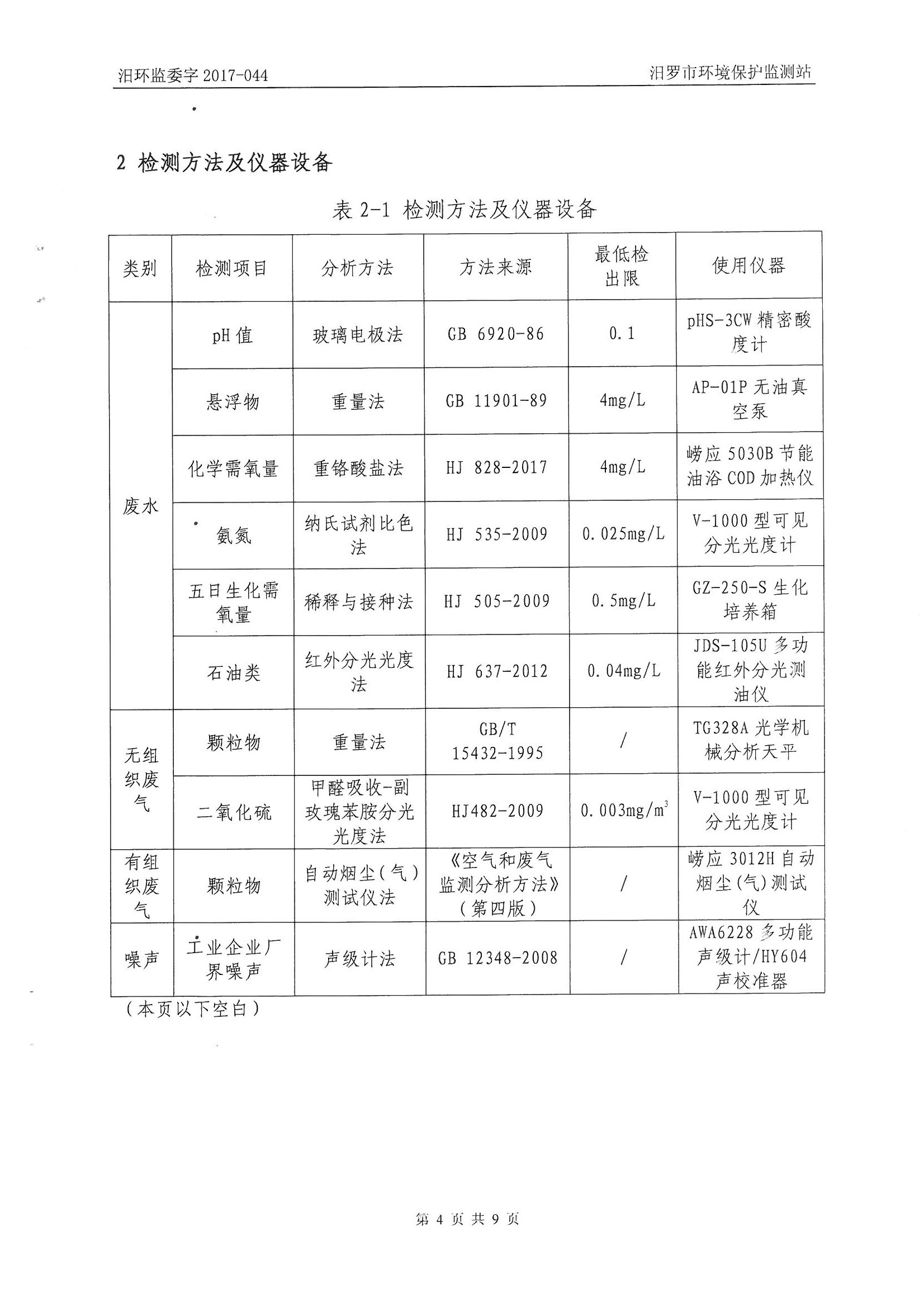
湖南三兴环保监测报告
所属分类:
公司动态
发布时间:
2017-08-22
分享到:
Copyright © 2014-2016 湖南三兴 版权所有 湘ICP备17016185号 执照认证链接
关闭
半岛手机网页版
|
千亿体育app平台·(中国)官方网站
|
MLTY.COM米兰体育(中国)科技公司
|
米兰体育
|
HAOBO.COM(中国)有限公司
|
华体会体育(中国)hth·官方网站
|
完美体育官方入口·(中国)官方网站
|
开云手机在线官网
|
LD.COM
|